聯系人:王經理
銷售電話:15610293837
銷售QQ:2962700085
公司地址:山東省濰坊高新區新城街道玉清社區光電路155號濰坊高新區光電產業加速器(一期)1號樓301

PRODUCT CENTER
聯系人:王經理
銷售電話:15610293837
銷售QQ:2962700085
公司地址:山東省濰坊高新區新城街道玉清社區光電路155號濰坊高新區光電產業加速器(一期)1號樓301
不銹鋼氣象儀又稱金屬款氣象儀,金屬款六要素氣象傳感器 ,不銹鋼氣象儀能夠監測環境溫度、相對濕度、風速、風向、大氣壓力、壓電雨量等六項氣象要素,通體采用不銹鋼材質設計,抗腐蝕性高可用于航洋領域
一、不銹鋼氣象儀產品簡介
不銹鋼氣象儀又稱金屬款氣象儀,金屬款六要素氣象傳感器 ,不銹鋼氣象儀能夠監測環境溫度、相對濕度、風速、風向、大氣壓力、壓電雨量等六項氣象要素,通體采用不銹鋼材質設計,抗腐蝕性高可用于航洋領域
山東萬象環境科技有限公司作為專業研發生產銷售微型氣象儀的企業,一直致力于微型氣象儀和氣象環境解決方案推廣應用。具有完整的生產鏈、實力雄厚的技術團隊和全面的營銷團隊,我們研發生產的超聲波風速風向儀、五要素微氣象儀、六要素微氣象儀和小型自動氣象站等氣象產品,已廣泛應用到氣象監測、城市環境監測、風力發電、航海船舶、航空機場、橋梁隧道等領域,客戶遍布全國各地,并取得了良好的社會效益和經濟效益。
WX-Y6S型六要素微氣象儀原理為發射連續變頻超聲波信號,通過測量相對相位來檢測風速風向。與傳統的超聲波風速風向儀相比,我司產品克服了對高精度計時器的需求,避免了因傳感器啟動延時、解調電路延時、溫度變化而造成的測量不準問題。
WX-Y6S型六要素微氣象儀創新性地將氣象標準六參數(環境溫度、相對濕度、風速、風向、大氣壓力、壓電雨量)通過一個高集成度結構來實現,可實現戶外氣象參數24小時連續在線監測,通過數字量通訊接口將六項參數一次性輸出給用戶。
二、不銹鋼氣象儀產品特點
1、頂蓋隱藏式超聲波探頭,避免雨雪堆積的干擾,避免自然風遮擋(北京氣象局校準證書)☆
2、原理為發射連續變頻超聲波信號,通過測量相對相位來檢測風速風向(北京氣象局校準證書)☆
3、風速、風向、溫度、濕度、大氣壓力、壓電雨量六要素一體式☆
4、采用先進的傳感技術,實時測量,無啟動風速☆
5、抗干擾能力強,具有看門狗電路,自動復位功能,保證系統穩定運行
6、高集成度,無移動部件,零磨損
7、免維護,無需現場校準
8、采用不銹鋼材質,強度高、抗氧化、抗腐蝕
9、產品設計輸出信號標配為RS485通訊接口(MODBUS協議);可選配232、USB、以太網接口,支持數據實時讀取☆
10、可選配外置無線傳輸模塊,最小傳輸間隔1分鐘
11、可選配內置加熱模塊:加熱電流1A(DC12V),加熱功耗12-15W
12、一體式設計磨損小、使用壽命長、響應速度快
三、不銹鋼氣象儀技術參數
1、風速:0~60m/s(±0.1m/s);(北京市氣象校準證書)
2、風向:0~360°(±2°);(北京市氣象校準證書)
3、空氣溫度:-40-60℃(±0.3℃);(北京市氣象局校準證書)
4、空氣濕度:0-100%RH(±3%RH);(北京市氣象局校準證書)
5、大氣壓力:300-1100hpa(±0.25%);(北京市氣象局校準證書)
6、壓電雨量:0-4mm/min(±4%)
7、功率:1.08W
8、生產企業具有ISO質量管理體系、環境管理體系、職業健康管理體系認證☆
9、生產企業具有專利證書和計算機軟件注冊證書☆
10、生產企業為3A級信用企業☆
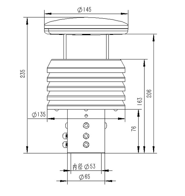
四、產品尺寸圖

五、產品結構圖

六、注意事項
1.傳感器水平周圍1米半徑無遮擋,避免水滴飛濺影響
2.傳感器安裝位置應避開強機械振動源
3.傳感器安裝上方應為開闊區域,雨滴應直接滴落至傳感器,應免二次滴落和連續水流沖擊
WX-QSZ03多參數水質在線監測系統是一種集成了多種傳感器和分析儀器的設備,能夠實時監測水體中的多個關鍵參數。這些參數包括但不限于PH、溫度、濁度、電導率、溶解氧、COD、氨氮、懸浮物等,全面而精準地反映了水質的整體狀況。相較于傳統的人工采樣與實驗室分析方式,這一系統無疑具有顯著的優勢。它不僅大大提高了監測的效率和準確性,還實現了數據的實時傳輸與處理,讓水質管理從“滯后應對”轉變為“前瞻預防”。···
它就是WX-FBQ2防爆工業小型氣象站,雖然已經進入了秋季,但是現在北半球的高溫天氣還沒有消退,免不了會出現高溫帶來的危險事情,這款產品會避免因為氣象變化而威脅安全的情況,保障罐區等場所的工人生命安全,為生產安全保駕護航。不僅可以提高企業的安全生產水平,還可以降低事故發生的概率,保障員工的人身安全和企業的穩定發展。···
WX-LD1雷電預警裝置基于電荷感應原理可以實時檢測大氣電場強度變化,當出現雷電災害時,預警裝置就會自動觸發報警信號,避免發生意外。實現對油庫、景區及鄰近區域雷電活動的實時感知,有效預報,助力用戶提前防范、科學應對,將因雷擊造成的事故發生率降至更低。在旅游景區或文物古建所在區域,設置雷電預警裝置,及時、準確的預報區域雷擊活動情況···
WX-WY4G GNSS位移監測站系統是萬象環境推出的一款地質位移監測系統,主要由GNSS天線、太陽能電池板、主控制機箱(內有基準站主控傳輸模塊)和安裝支架組成。由于GNSS天線可與衛星通信,實時獲取衛星定位的經度、緯度、高程信息,所以要用到這項技術來精準定位位移,為保證對成功捕獲衛星信號進行精準定位,要求天線上空應不要有遮擋物,最好在視野開闊的場景使用。···
WX-GTS3一體化多深度土壤墑情監測設備,其核心亮點在于管式傳感器的應用。這種傳感器設計巧妙,能夠垂直插入土壤中,實現不同深度土壤墑情的同步監測。相較于傳統單點監測方式,管式傳感器能夠覆蓋更廣泛的土壤區域,提供更為全面、準確的土壤墑情數據。這一特點使得農業生產者能夠更加深入地了解土壤水分的垂直分布規律,為精準灌溉、科學施肥提供有力依據。···
首先,不得不提的是WX-WQX2S金屬款風速風向儀那堅固耐用的金屬材質。相較于傳統塑料或輕質材料制成的同類產品,金屬材質不僅具有更高的強度和穩定性,還能有效抵御惡劣天氣條件(如強風、暴雨、高溫嚴寒)的侵襲,確保設備在極端環境下依然能夠穩定運行。正是這份“硬核”實力,為風速風向的精準測量奠定了堅實的基礎。···