聯系人:王經理
銷售電話:15610293837
銷售QQ:2962700085
公司地址:山東省濰坊高新區新城街道玉清社區光電路155號濰坊高新區光電產業加速器(一期)1號樓301

PRODUCT CENTER
聯系人:王經理
銷售電話:15610293837
銷售QQ:2962700085
公司地址:山東省濰坊高新區新城街道玉清社區光電路155號濰坊高新區光電產業加速器(一期)1號樓301
五要素氣象傳感器又稱五要素傳感器,五要素氣象儀,五要素氣象傳感器采用先進的五要素一體式傳感器,實時測量風速、風向、溫度、濕度、大氣壓力等氣象參數,為區域環境內的實時天氣狀況等氣象數據提供準確的資料。
一、五要素氣象傳感器產品簡介
五要素氣象傳感器又稱五要素傳感器,五要素氣象儀,五要素氣象傳感器采用先進的五要素一體式傳感器,實時測量風速、風向、溫度、濕度、大氣壓力等氣象參數,為區域環境內的實時天氣狀況等氣象數據提供準確的資料。
山東萬象環境科技有限公司作為專業研發生產銷售微型氣象儀的企業,一直致力于微型氣象儀和氣象環境解決方案推廣應用。具有完整的生產鏈、實力雄厚的技術團隊和全面的營銷團隊,我們研發生產的超聲波風速風向儀、五要素微氣象儀、六要素微氣象儀和小型自動氣象站等氣象產品,已廣泛應用到氣象監測、城市環境監測、風力發電、航海船舶、航空機場、橋梁隧道等領域,客戶遍布全國各地,并取得了良好的社會效益和經濟效益。
與傳統的微型氣象儀相比,我司產品克服了對高精度計時器的需求,避免了因傳感器啟動延時、解調電路延時、溫度變化而造成的測量不準問題。
WX-WQX5型五要素微氣象儀創新性地將風速、風向、溫度、濕度、大氣壓力通過一個高集成度結構來實現,可實現戶外氣象參數24小時連續在線監測,通過數字量通訊接口將五項參數一次性輸出給用戶。
二、產品特點
1、頂蓋隱藏式超聲波探頭,避免雨雪堆積的干擾,避免自然風遮擋
2、原理為發射連續變頻超聲波信號,通過測量相對相位來檢測風速風向
3、風速、風向、溫度、濕度、大氣壓力五要素一體式
4、采用先進的傳感技術,實時測量,無啟動風速☆
5、抗干擾能力強,具有看門狗電路,自動復位功能,保證系統穩定運行
6、高集成度,無移動部件,零磨損
7、免維護,無需現場校準
8、采用ASA工程塑料室外應用常年不變色
9、產品設計輸出信號標配為RS485通訊接口(MODBUS協議);可選配232、USB、以太網接口,支持數據實時讀取☆
10、可選配無線傳輸模塊,最小傳輸間隔1分鐘
11、探頭為卡扣式設計,解決了運輸、安裝過程松動不準的問題☆
三、技術參數
1.風速(標配):量程:0~60m/s;分辨率0.01m/s;精度:±0.1m/s(北京市氣象局校準證書)☆
2.風向(標配):量程:0~360°;分辨率:1°;精度:±2°(北京市氣象局校準證書)☆
3.空氣溫度(標配):量程:-40-60℃;分辨率0.01℃;精度:±0.3℃(25℃)(北京市氣象局校準證書)☆
4.空氣濕度(標配):量程:0-100%RH;分辨率:0.01%RH;精度:±3%RH(北京市氣象局校準證書)☆
5.大氣壓力(標配):量程:30-110Kpa;分辨率0.01Kpa;精度:±0.25%(北京市氣象局校準證書)☆
6.其他可選配要素:壓電雨量、TSP、一氧化碳、二氧化硫、二氧化氮、光學雨量、臭氧、PM2.5、PM10、噪聲、總輻射、光照度、二氧化碳、氧氣含量、硫化氫、氫氣、氯氣、氨氣、氯化氫、氰化氫、氟化氫、磷化氫、二氧化氯、環氧乙烷、一氧化氮、過氧化氫、四氫噻吩、甲醛、VOC、催化燃燒可燃氣
7.功率:0.72W
8.生產企業具有ISO質量管理體系、環境管理體系、職業健康管理體系認證☆
9.生產企業具有專利證書和計算機軟件注冊證書☆
10.生產企業為3A級信用企業☆
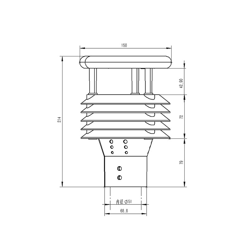
四、產品尺寸圖

五、產品結構圖

1、控制電路
2、指北箭頭
3、超聲波探頭
4、百葉箱
5、溫度、濕度、氣壓監測位置
6、底部固定法蘭
※此產品可選配電子羅盤、GPRS(內置)/GPS(二選一)
六、產品接線定義

定義 | 備注 | |
VCC | 電源正 | DC12V |
GND | 電源地 | |
485A | RS485A | |
485B | RS485B |
WX-SW1無線水位監測系統通過安裝在水庫、明渠等關鍵位置的傳感器,能夠實時監測水位變化,并將數據實時傳輸至監測中心。這種實時監測的方式,使得管理人員能夠隨時掌握水域的水位動態,一旦水位超過預設的安全閾值,系統便會自動觸發預警機制,提醒管理人員及時采取措施。這種精準預警,對于防范洪水災害、保障人民生命財產安全具有重要意義。···
想象一下,只需輕輕一揮手中的“小魔盒”,即刻掌握當前及未來幾小時的天氣變化,這種科幻般的場景如今已成為現實。WX-QX50手持式微型氣象站,作為科技與自然的完美結晶,正悄然改變著我們的生活方式。它小巧便攜,設計精致,無論是戶外探險、日常通勤還是家庭園藝,都能成為你最貼心的天氣顧問與傳統的天氣預報相比,手持式微型氣象站最大的優勢在于其極高的準確性和即時性。···
WX-SW2河流水位雨量監測系統集成了先進的傳感器技術、數據采集與傳輸技術,以及數據處理和分析能力。它能夠在野外環境中實時監測河流水位和雨量的變化,并通過無線通訊技術實現遠程監控和管理。這種全自動化的監測方式,極大地減少了人工干預的需求,提高了工作效率和管理水平。···
這款WX-LDSW02水情監測系統采用了最先進的傳感器技術和云計算平臺,能夠實時、準確地監測渠道內的水位和降雨量。系統不僅具備高精度測量能力,還能將數據通過無線傳輸方式實時發送到云端服務器,供用戶隨時查看和分析。水情監測系統配備了高精度的水位和降雨量傳感器,能夠在各種復雜環境下穩定工作,確保測量數據的準確性,通過無線通信技術···
便捷的操作方式讓WX-PQX12便攜式自動氣象站適合更多非專業人群使用。傳統氣象觀測設備通常需要專業人員進行操作和維護,涉及復雜的參數設置和數據解讀。而便攜式自動氣象站簡化了操作流程,大多配備了直觀的操作界面和清晰的指引,即便是沒有專業氣象知識的人,經過簡單的熟悉后也能順利使用,輕松獲取所需的氣象信息,降低了氣象觀測的使用門檻。···
WX-CQ5高清款4800萬像素蟲情測報儀的最大亮點在于其超高清的像素。4800萬像素的鏡頭能夠捕捉到害蟲的細微特征,包括形態特征、顏色、紋理等,為后續的圖像識別和分析提供了清晰、準確的圖像數據。這種高清像素的監測方式,大大提高了害蟲識別的準確率,使得管理人員能夠更精準地判斷害蟲的種類、數量以及活動規律,為制定科學合理的防治策略提供了有力依據。···