聯系人:王經理
銷售電話:15610293837
銷售QQ:2962700085
公司地址:山東省濰坊高新區新城街道玉清社區光電路155號濰坊高新區光電產業加速器(一期)1號樓301

PRODUCT CENTER
聯系人:王經理
銷售電話:15610293837
銷售QQ:2962700085
公司地址:山東省濰坊高新區新城街道玉清社區光電路155號濰坊高新區光電產業加速器(一期)1號樓301
空氣質量傳感器又稱空氣傳感器,室內環境監測系統,空氣質量傳感器主要用于檢測空氣環境中的溫度、濕度、PM2.5、PM10、CO2、甲醛等多種要素,基本涵蓋了反映室內空氣質量的各個指標。
一、空氣質量傳感器產品簡介
空氣質量傳感器又稱空氣傳感器,室內環境監測系統,空氣質量傳感器主要用于檢測空氣環境中的溫度、濕度、PM2.5、PM10、CO2、甲醛等多種要素,基本涵蓋了反映室內空氣質量的各個指標。
山東萬象環境科技有限公司作為專業研發生產銷售微型氣象儀的企業,一直致力于微型氣象儀和氣象環境解決方案推廣應用。具有完整的生產鏈、實力雄厚的技術團隊和全面的營銷團隊,我們研發生產的超聲波風速風向儀、五要素微氣象儀、六要素微氣象儀和小型自動氣象站等氣象產品,已廣泛應用到氣象監測、城市環境監測、風力發電、航海船舶、航空機場、橋梁隧道等領域,客戶遍布全國各地,并取得了良好的社會效益和經濟效益。
與傳統的微型氣象儀相比,我司產品克服了對高精度計時器的需求,避免了因傳感器啟動延時、解調電路延時、溫度變化而造成的測量不準問題。
WX-WQX8型八要素微氣象儀創新性地將氣象標準參數(風速、風向、溫度、濕度、氣壓、pm2.5、pm10、噪聲)通過一個高集成度結構來實現,可實現戶外氣象參數24小時連續在線監測,通過數字量通訊接口將八項參數一次性輸出給用戶。產品結構緊湊,外形美觀、大方、高度集成。
二、產品特點
1、頂蓋隱藏式超聲波探頭,避免雨雪堆積的干擾,避免自然風遮擋
2、原理為發射連續變頻超聲波信號,通過測量相對相位來檢測風速風向
3、風速、風向、溫度、濕度、氣壓、pm2.5、pm10、噪聲八要素一體式
4、采用先進的傳感技術,實時測量,無啟動風速☆
5、抗干擾能力強,具有看門狗電路,自動復位功能,保證系統穩定運行
6、高集成度,無移動部件,零磨損
7、免維護,無需現場校準
8、采用ASA工程塑料室外應用常年不變色
9、產品設計輸出信號標配為RS485通訊接口(MODBUS協議);可選配232、USB、以太網接口,支持數據實時讀取☆
10、可選配無線傳輸模塊,最小傳輸間隔1分鐘
11、探頭為卡扣式設計,解決了運輸、安裝過程松動不準的問題☆
三、技術參數
1.風速(標配):量程:0~60m/s;分辨率0.01m/s;精度:±0.1m/s
2.風向(標配):量程:0~360°;分辨率:1°;精度:±2°
3.空氣溫度(標配):量程:-40-60℃;分辨率0.01℃;精度:±0.3℃(25℃)
4.空氣濕度(標配):量程:0-100%RH;分辨率:0.01%RH;精度:±3%RH
5.大氣壓力(標配):量程:30-110Kpa;分辨率0.01Kpa;精度:±0.25%
6.PM2.5(標配):量程:0-1000ug/m3;分辨率1ug/m3;精度:±10%(<500微克)
7.PM10(標配):量程:0-1000ug/m3;分辨率1ug/m3;精度:±10%(<500微克)
8.噪聲(標配):量程:30-120dB;分辨率0.1dB;精度:±1.5dB
9.其他可選配要素:壓電雨量、TSP、一氧化碳、二氧化硫、二氧化氮、臭氧、光照度、光學雨量、總輻射、二氧化碳、氧氣含量、硫化氫、氫氣、氯氣、氨氣、氯化氫、氰化氫、氟化氫、磷化氫、二氧化氯、環氧乙烷、一氧化氮、過氧化氫、四氫噻吩、甲醛、VOC、催化燃燒可燃氣
9.功率:0.72W
10.整機取得省級校準證書
11.生產企業為3A級信用企業
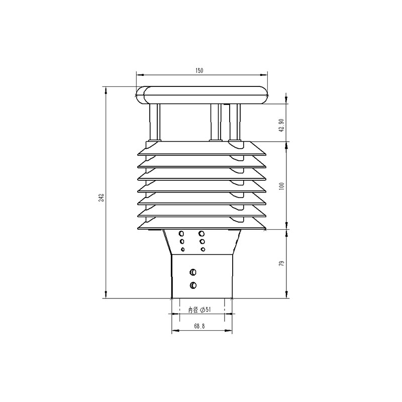
四、產品尺寸圖
五、產品結構圖
1、控制電路
2、指北箭頭
3、超聲波探頭
4、百葉箱PM2.5、PM10
5、溫度、濕度、噪聲、氣壓監測位置
6、法蘭轉換頭
※此產品可選配電子羅盤功能
六、產品接線定義
定義 | 備注 | |
VCC | 電源正 | DC12V |
GND | 電源地 | |
485A | RS485A | |
485B | RS485B |
WX-FD2S風吸式物聯網殺蟲燈結合了光學、物理、機械以及物聯網等多學科技術,實現了對害蟲的綠色防控。它利用害蟲對特定光波的趨光性,如紫外線,吸引它們飛向光源。隨后,通過內置的強大風扇產生負壓,形成一股吸力,將靠近的害蟲吸入收集裝置中。這一過程無需使用任何化學藥劑,完全依靠物理原理進行害蟲捕殺,既環保又高效。···
簡單來說,WX-XY3智慧性誘測報系統是一套集成了生物學、信息學和計算機科學等多個領域先進技術的智能化害蟲管理系統。它利用害蟲的生物學特性,通過特定的誘捕裝置和智能分析系統,實現對害蟲的定向誘捕和實時監測。系統通過精確控制釋放害蟲喜好的性信息素或食物氣味,吸引害蟲進入誘捕裝置。一旦害蟲進入,系統便會立即啟動捕捉機制,將害蟲安全地捕捉并收集起來。···
WX-LSZ06水產養殖監測站,作為一種集成了先進傳感器、數據采集與傳輸技術、智能化分析系統的專業設備,能夠實時監測養殖水體中的關鍵水質參數,如水溫、電導率、PH、溶解氧、氨氮、濁度等。這些參數是衡量水質狀況的重要指標,直接關系到水生生物的生長發育與健康狀態。通過實時監測,水產養殖監測站能夠及時發現水質變化,為養殖戶提供準確、及時的數據支持。···
WX-PQX12便攜式氣象站憑借其靈活移動的特性,在各類氣象監測場景中占據著重要地位,成為滿足多樣化氣象數據需求的關鍵設備。與固定站點的氣象監測設備相比,便攜式氣象站無需復雜的安裝流程,能夠快速部署到需要監測的區域,及時捕捉當地的氣象變化,為不同場景下的活動開展提供精準的氣象支撐,讓氣象監測擺脫了空間和環境的諸多限制。···
WX-GTS4多深度土壤墑情監測站系統是一種能夠實時監測土壤不同層次水分含量的智能化設備,能實現對土壤墑情的立體、全方位監測。這些傳感器如同“土壤偵探”,能夠精準感知土壤中的水分變化,并將數據傳輸至數據中心進行分析和處理。系統的核心優勢在于其多深度監測能力。傳統的土壤墑情監測往往只關注土壤表層的水分含量,而多深度監測站則能夠深入土壤的不同層次,獲取更為全面、準確的數據。···
WX-N50天氣現象儀的核心價值在于其超視距監測能力,設備采用先進的光學測量原理,通過分析大氣中懸浮顆粒對光線的散射特性,能夠準確計算出50公里范圍內的能見度數值。這種大范圍監測特性,特別適合高速公路這種線性交通設施的安全管理需求,讓管理者能夠提前預判整條路線的能見度變化趨勢。···