聯系人:王經理
銷售電話:15610293837
銷售QQ:2962700085
公司地址:山東省濰坊高新區新城街道玉清社區光電路155號濰坊高新區光電產業加速器(一期)1號樓301

PRODUCT CENTER
聯系人:王經理
銷售電話:15610293837
銷售QQ:2962700085
公司地址:山東省濰坊高新區新城街道玉清社區光電路155號濰坊高新區光電產業加速器(一期)1號樓301
環境監測傳感器又稱大氣監測傳感器,智慧路燈監測傳感器,環境監測傳感器對環境參數實時監測和遠程控制,廣泛應用于氣象、環保、農業、工業等領域,為人們提供了重要的環境信息,幫助人們更好地了解和管理環境。
一、環境監測傳感器產品簡介
環境監測傳感器又稱大氣監測傳感器,智慧路燈監測傳感器,環境監測傳感器對環境參數實時監測和遠程控制,廣泛應用于氣象、環保、農業、工業等領域,為人們提供了重要的環境信息,幫助人們更好地了解和管理環境。
山東萬象環境科技有限公司作為專業研發生產氣象傳感器的企業,一直致力于氣象傳感器和氣象環境解決方案推廣應用。具有完整的生產鏈、實力雄厚的技術團隊和全面的營銷團隊,我們研發生產的傳感器已廣泛應用到智慧農業、氣象監測、城市環境監測、風力發電、航海船舶、航空機場、橋梁隧道等領域,客戶遍布全國各地,并取得了良好的社會效益和經濟效益。
二、產品特點
1、抗干擾能力強,具有看門狗電路,自動復位功能,保證系統穩定運行
2、高集成度,無移動部件,零磨損
3、免維護,無需現場校準
4、采用ASA工程塑料室外應用常年不變色
5、產品設計輸出信號標配為RS485通訊接口(MODBUS協議);可選配232、USB、以太網接口,支持數據實時讀取☆
6、可選配無線傳輸模塊,最小傳輸間隔1分鐘
三、技術參數
1、空氣溫度:-40-60℃(±0.3℃);(北京市氣象局校準證書)
2、空氣濕度:0-100%RH(±3%RH);(北京市氣象局校準證書)
3、光照:0-20W LUX(5%)
4、PM2.5:0-1000ug/m3(±10%)
5、PM10:0-1000ug/m3(±10%)
6、噪聲:30-120dB(±1.5dB)
7、功率:0.96W
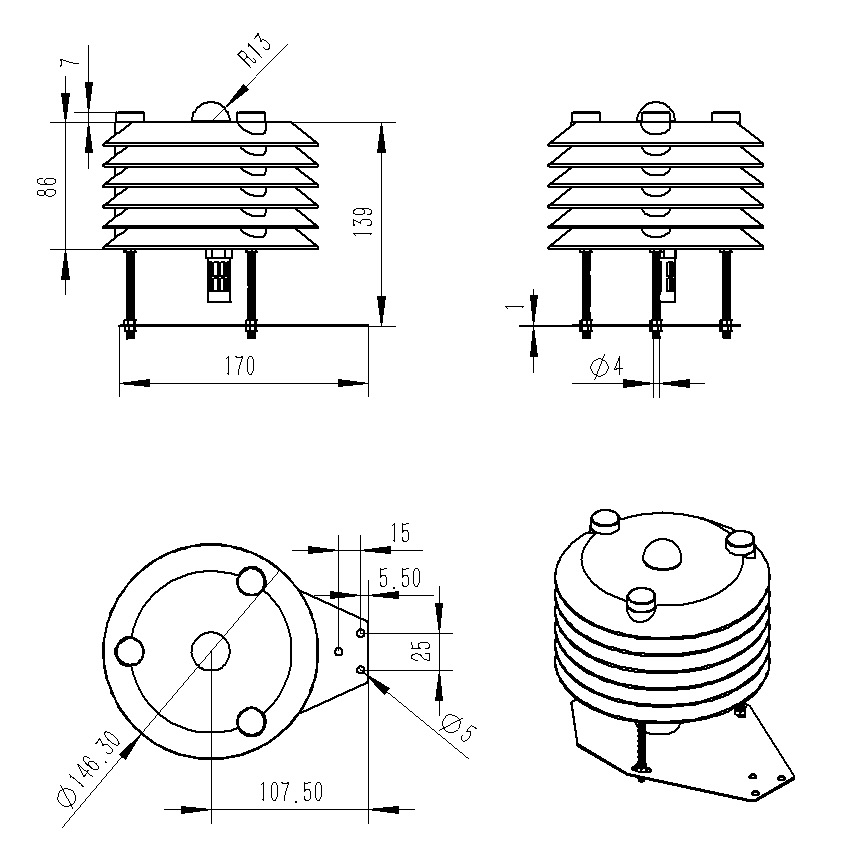
四、產品尺寸圖

五、產品結構圖

WX-XQ4校園氣象檢測站就是專門用于監測和記錄校園內氣象數據的設備。它通常由多個高精度傳感器組成,包括溫度傳感器、濕度傳感器、氣壓傳感器、風速風向傳感器等,這些傳感器能夠實時監測和記錄校園內的溫度、濕度、氣壓、風速、風向等關鍵氣象數據。通過這些數據,我們可以全面了解校園內的氣候狀況,為師生的日常生活和學習提供科學依據。···
WX-SDN1隧道能見度檢測器依據透射原理開展工作,這種原理賦予了它獨特的檢測能力。它的發射/接收器和反射器相對安裝,就如同搭建了一個精準的“視覺通道”。發射器發出特定形式的光信號,這些光信號在隧道這個特定的空間里穿梭,當遇到空氣中的顆粒、水汽等影響能見度的因素時,光的傳播會發生相應變化。反射器則負責接收經過空間傳播后回來的光信號,通過分析發射與接收光信號之間的差異,就能敏銳地感知到隧道內能見度的狀況。···
WX-BQX2P二要素便攜式氣象站設計精致,體積小巧,它采用輕量化材料制造,不僅減輕了攜帶負擔,還保證了產品的耐用性和穩定性。無論是戶外探險、露營旅行,還是農業生產、環境監測,它都能成為你的得力助手。作為一款專業的氣象監測設備,這款二要素便攜式氣象站具備高精度風速風向監測功能。它采用先進的傳感器技術,能夠實時準確地監測風速和風向變化,并將數據傳輸到配套的軟件或APP中進行分析處理。···
WX-PQX10十要素便攜式氣象站的核心優勢在于其能夠同時監測多種關鍵氣象要素。在戶外環境中,風速、風向、空氣溫度、濕度、大氣壓力、光照、光學雨量、pm2.5、pm10、噪聲這十個要素,共同構成了氣象環境的完整畫面。便攜性是十要素便攜式氣象站的另一大突出特點。它通常采用輕量化設計,體積小巧,重量輕盈,可以輕松放入背包中攜帶。···
傳統雨量監測多依賴于翻斗式雨量計等機械裝置,雖歷史悠久,但在精準度、維護成本及環境適應性上存在一定局限。而WX-YJ3降雨量監測系統,則巧妙地將光學原理與現代電子技術相結合,通過激光或紅外光等非接觸式測量方式,實時監測雨滴大小、速度及分布密度,實現了對降雨過程的全方位、高精度捕捉。···
WX-CSQX12空氣微站是一種能夠實時監測和記錄空氣質量的小型設備。它們通常被安裝在城市的各個角落,通過收集和分析空氣中的各種污染物數據,為環境保護部門提供第一手資料。這些數據不僅有助于我們了解當前空氣質量狀況,還能為政策制定和科學研究提供重要依據。空氣微站的作用遠不止于此。它們還可以通過數據共享和整合,為城市規劃和建設提供有力支持。···